Пчеловодство в Саратове

Форум саратовских пчеловодов

Главная | Статьи | Пчеловодство в цифрах | Старые страницы | Правила форума



 [ Сообщений: 251 ]  Пред.  16, 7, 8, 9, 10, 11, 1226  След.
Автор Сообщение
СообщениеДобавлено: 13 авг 2015, 15:10 
Аватара пользователя

Сообщения: 4425
Откуда: Саратов
Пчелосемей: 50-70
Пчело-стаж: 30-40 лет
Пасека в: Базарный карабулак
Порода пчел: карпатка
Вазовский залитый в корпусе не купил.магнит стоит на шкиву ,грется не может.

СообщениеДобавлено: 13 авг 2015, 15:52 
модератор

Сообщения: 2776
Пчелосемей: 50-70
Пчело-стаж: 20-30 лет
Пасека в: Саратов
Порода пчел: Зимующие на воле.
ДИмед писал(а):
грется не может.

Ну тогда дальше только с осциллографом смотреть. Я с датчиками Холла только теоретически знаком, а вот Diod (на встрече он был, на фото рядом со мной) ) работал на Тантале с ними практически - диагностировал и заменял. Так что если не очень срочно - то возможно и поможет разобраться с проблемой, осциллограф есть. До конца этой недели не получится скорее всего - пасеки перевозим.

СообщениеДобавлено: 13 авг 2015, 17:23 
Аватара пользователя

Сообщения: 4425
Откуда: Саратов
Пчелосемей: 50-70
Пчело-стаж: 30-40 лет
Пасека в: Базарный карабулак
Порода пчел: карпатка
foxbee писал(а):
Так что если не очень срочно - то возможно и поможет разобраться с проблемой, осциллограф есть
Спасибо!.
на последнюю качку человека на кнопку поставлю.В сентябре обращусь .Diod живёт рядом с Вами?

СообщениеДобавлено: 13 авг 2015, 17:42 
Аватара пользователя

Сообщения: 4425
Откуда: Саратов
Пчелосемей: 50-70
Пчело-стаж: 30-40 лет
Пасека в: Базарный карабулак
Порода пчел: карпатка
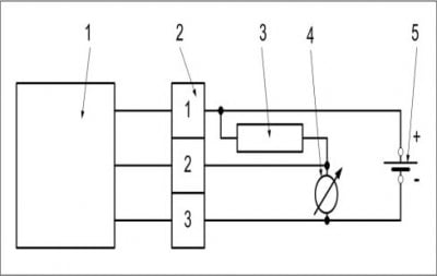
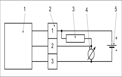
3 — резистор МЛТ-0,25 1,5 кОм. можно ли без него сделать проверку датчика Холла?

Вложения:
f7085b5db9e8.jpg
f7085b5db9e8.jpg [ 20.49 КБ ]
СообщениеДобавлено: 13 авг 2015, 22:04 

Сообщения: 406
Откуда: Саратов
Пчелосемей: 40-50
Пчело-стаж: 15-20 лет
Пасека в: Воскресенский р-он
Порода пчел: карника, карпатка
Вложение:
Фото-0134.jpg
Фото-0134.jpg [ 358.75 КБ ]

СообщениеДобавлено: 13 авг 2015, 22:16 
Аватара пользователя

Сообщения: 4425
Откуда: Саратов
Пчелосемей: 50-70
Пчело-стаж: 30-40 лет
Пасека в: Базарный карабулак
Порода пчел: карпатка
значит без резистора нельзя .бум искать.

СообщениеДобавлено: 13 авг 2015, 22:18 
модератор

Сообщения: 2776
Пчелосемей: 50-70
Пчело-стаж: 20-30 лет
Пасека в: Саратов
Порода пчел: Зимующие на воле.
ДИмед писал(а):
3 — резистор МЛТ-0,25 1,5 кОм. можно ли без него сделать проверку датчика Холла?

Можно , только нет полной уверенности что цоколёвка у датчика такая же, так как марка неизвестна.Поэтому лучше осциллографом сначала исследовать схему. Как вариант( если всё таки ХОЛЛ накрылся) любой экзотический датчик можно заменить на герконовый - работать будет, только в запас нужно ещё приготовить - долго они не живут в таком режиме.
А ещё вопрос - на таймер он реагирует ? А то может просто полевик выходной пробило …
ДИмед писал(а):
значит без резистора нельзя

Нельзя, сгорит сразу.
ДИмед писал(а):
Diod живёт рядом с Вами?

Подальше - на 6 квартале.

СообщениеДобавлено: 13 авг 2015, 22:19 

Сообщения: 406
Откуда: Саратов
Пчелосемей: 40-50
Пчело-стаж: 15-20 лет
Пасека в: Воскресенский р-он
Порода пчел: карника, карпатка
foxbee писал(а):
Он и есть - чёрный похоже общий, оранжевый (или какой он там - на фото плохо видно) +12, белый - сигнальный.
Вложение:
Фото-0135.jpg
Фото-0135.jpg [ 350.03 КБ ]

СообщениеДобавлено: 13 авг 2015, 22:22 

Сообщения: 406
Откуда: Саратов
Пчелосемей: 40-50
Пчело-стаж: 15-20 лет
Пасека в: Воскресенский р-он
Порода пчел: карника, карпатка
ДИмед писал(а):
3 — резистор МЛТ-0,25 1,5 кОм. можно ли без него сделать проверку датчика Холла?
любой от 1 до 10 ком

СообщениеДобавлено: 13 авг 2015, 22:28 
Аватара пользователя

Сообщения: 4425
Откуда: Саратов
Пчелосемей: 50-70
Пчело-стаж: 30-40 лет
Пасека в: Базарный карабулак
Порода пчел: карпатка
foxbee писал(а):
А ещё вопрос - на таймер он реагирует ?
таймер работает,отключает как положено.обороты максимальные.

 [ Сообщений: 251 ]  Пред.  16, 7, 8, 9, 10, 11, 1226  След.


© Пчеловодство в Саратове | Политика конфиденциальности